منتجات
قواطع دوائر خارجية مثبتة على عمود 12 كيلو فولت
  • قواطع دوائر خارجية مثبتة على عمود 12 كيلو فولتقواطع دوائر خارجية مثبتة على عمود 12 كيلو فولت
  • قواطع دوائر خارجية مثبتة على عمود 12 كيلو فولتقواطع دوائر خارجية مثبتة على عمود 12 كيلو فولت
  • قواطع دوائر خارجية مثبتة على عمود 12 كيلو فولتقواطع دوائر خارجية مثبتة على عمود 12 كيلو فولت

قواطع دوائر خارجية مثبتة على عمود 12 كيلو فولت

Model:ZW20-12F
Anqiang Power هي شركة صينية تصنع قواطع الدائرة المثبتة على عمود خارجي 12kV. تتميز معدات توزيع الطاقة المثبتة على عمود خارجي بجهد مقدر يبلغ 12 كيلو فولت وتعمل على تيار متردد ثلاثي الطور 50 هرتز. إنه يتميز بقدرات إعادة إغلاق ممتازة عند استخدامه مع وحدة تحكم، مما يلبي متطلبات أنظمة أتمتة التوزيع. يتم استخدامه بشكل أساسي لتشغيل وإيقاف تيارات الحمل وتيارات الدائرة القصيرة في أنظمة الطاقة 10 كيلو فولت، ويستخدم في المحطات الفرعية وأنظمة توزيع المؤسسات الصناعية والتعدين.

قاطع الدائرة الكهربائي المثبت على عمود خارجي ZW20-12F 12KV المصنوع بواسطة Anqiang يدمج بسلاسة وظائف قاطع الدائرة الكهربائية، جهاز إعادة الإغلاق، والمقطع.  تستخدم حاوية المعدات الخاصة بها تقنية الهيكل العازل المحكم بالغاز والمقاوم للانفجار والموجود في Toshiba's VSP5. تم أيضًا تحسين قنوات الخطوط الواردة والصادرة لتحسين أداء الختم. تم تصغير آلية تشغيل الزنبرك، وتتميز الدائرة الرئيسية بمقاومة اتصال منخفضة. ولذلك، فإن قاطع الدائرة الكهربائية ذو الجهد العالي الخارجي هذا هو منتج لا يحتاج إلى صيانة وخيار مفضل لقواطع الدائرة الكهربائية المثبتة على عمود.

صور المنتج الفعلي

12KV Outdoor Pole Mounted Circuit Breaker

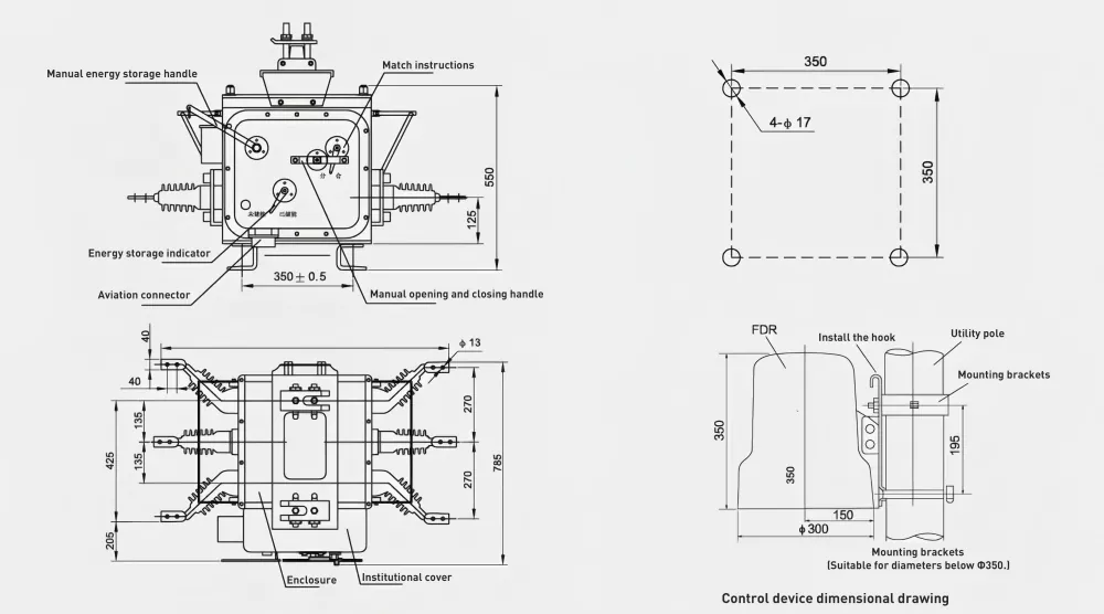
مخطط أبعاد المنتج

12KV Outdoor Pole Mounted Circuit Breaker

المعلمات التقنية

مشروع

قيمة المعلمة

الجهد المقنن

12 كيلو فولت

التردد المقدر

50 هرتز

التصنيف الحالي

630/1000 أ

تصنيف كسر ماس كهربائى الحالي

20/25 كيلو أمبير

الذروة المقدرة تحمل التيار

50/63 كيلو أمبير

تصنيفها لفترة قصيرة تحمل التيار

20/25 كيلو أمبير

تصنيف ماس كهربائى صنع الحالي

50/63 كيلو أمبير

تسلسل التشغيل المقدر

فتح - 0.3 ثانية - إغلاق - 180 ثانية - فتح - إغلاق

الحياة الميكانيكية

10,000 مرة

تصنيف دورات كسر الحالية

10,000 مرة

تصنيف قدرة كسر ماس كهربائى

30 مرة

ضغط الغاز SF6

0 ميجا باسكال


مزايا المنتج

يتميز قاطع الدائرة المثبت على عمود خارجي 12 كيلو فولت بحماية التيار الزائد ومؤشر تخزين الطاقة الزنبركي الآلي.  وهي مجهزة أيضًا بموصل طيران للتوصيلات الكهربائية الثانوية، مما يسهل التكامل مع وحدات التحكم الذكية. أدائه الكهربائي والميكانيكي الممتاز يجعل قاطع الدائرة الفراغية المثبت على عمود خارجي ZW20-12F قابلاً للتطبيق على نطاق واسع.


الكلمات الساخنة: قواطع دوائر خارجية مثبتة على عمود 12KV، قواطع دوائر كهربائية خارجية، الشركة المصنعة لقواطع دوائر الجهد العالي
إرسال استفسار
معلومات الاتصال
  • عنوان

    منطقة جينلو الصناعية، مدينة بيبايكسيانج، مدينة يويهتشينغ، مدينة ونتشو، مقاطعة تشجيانغ، الصين

  • هاتف

  • بريد إلكتروني

    john@chaqele.com

للاستفسارات حول قاطع الدائرة أو مفتاح التحميل أو مفتاح قطع الاتصال أو قائمة الأسعار، يرجى ترك بريدك الإلكتروني لنا وسنتواصل معك خلال 24 ساعة.
X
نحن نستخدم ملفات تعريف الارتباط لنقدم لك تجربة تصفح أفضل، وتحليل حركة مرور الموقع، وتخصيص المحتوى. باستخدام هذا الموقع، فإنك توافق على استخدامنا لملفات تعريف الارتباط. سياسة الخصوصية
يرفض يقبل